自動切斷機 / 自動工具類 > 切割 自動機類 (點我) > 田中 自動切斷機 TANAMAX YK-150




田中 自動切斷機 TANAMAX YK-150


TANAMAX 田中 YK-150 自動切斷機

廠牌:TANAMAX 田中

型號:YK-150

產地: 日本

說明:使用於碳鋼板材火焰切割,可作為直線平行切割開先斜角切割

      ,或者裝置成電離子切割及自動焊接之可能,耐1.8M鋼軌、火口。 

 

價格實在.功能實惠.耐用.歡迎詢問

本公司具備維修能力.一年修理各廠牌自動機20臺左右.

且後勤零件在庫充足.買後無後顧之憂.不會變孤兒機

 

(YK-300 本機曾有23年機回來維修可見耐用程度一極棒.見下方圖片)

 

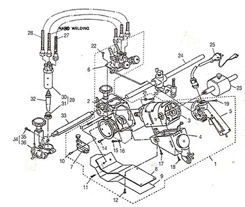
配件:

1.分配器 2.氣體開關 3.三色管

4.吹管  5.橫臂   6.升降器

7.火嘴     

備註:(1)軌道可另購

     (2)切割槍頭可改裝為電離子切割..等等設備.

        歡迎改裝或訂做

切割能力請見下方:

 

回上一頁